Trying to troubleshoot a carburetor issue (Marvel 3 SPA) on a recently acquired C-120 and would appreciate any input.
Purchased locally (Arizona) this summer, ran quite smooth on the flight home and the few warm morning flights I did after. Aircraft was down for paint and refurbish until this month (December) when I finally finished up.
So now... Early morning cold flight - easy start, idles smooth, runup at 1500 mag and carb heat check OK. Further runup 1800-2000 rpm engine stumbles hard to the point of stalling, apply carb heat and it smooths out. Assuming a too lean condition in this range. Afternoon warmer flights not an issue..
Carb was installed in the 90's and hasn't been serviced since. Whatever is going on with it, it's due for an overhaul anyway.
Aircraft Spruce does have overhauled exchange units in stock @ $1400 but curious if there are any recommended carburetor shops out there that do quality overhauls?
Appreciated!
Marvel Carburetor issues
Forum rules
You must be a member of the Cessna 120-140 Association in order to post new topics, reply to existing topics, or search for information on this forum. Use the "Join" link in the red menu bar.
You must be a member of the Cessna 120-140 Association in order to post new topics, reply to existing topics, or search for information on this forum. Use the "Join" link in the red menu bar.
-
azaero
- Posts: 4
- Joined: Tue Aug 27, 2024 1:13 pm
- Name: C Copeland
- Location: Eloy, AZ
- Aircraft Type: 46 C-120
- Occupation-Interests: Aircraft Painter - Own a C-120 and Pitts S2E project
- Contact:
- 6597
- Posts: 517
- Joined: Tue May 01, 2018 7:00 am
- Name: David Sbur
- Location: Vancouver WA KVUO
- Aircraft Type: '46 140 0-200A
- Occupation-Interests: Agriculture
- Contact:
Re: Marvel Carburetor issues
If you truly find it needs overhaul, I had excellent luck with
D&G Supply
PO Box 430
1916 Industrial Drive
Niles MI 49120
(269) 684-4440
My MA3SPA for my 0-200A cost $853 for overhaul in 2022. Came back MUCH better than the old field overhauled job. My mixture/cut-off actually works now.
D&G Supply
PO Box 430
1916 Industrial Drive
Niles MI 49120
(269) 684-4440
My MA3SPA for my 0-200A cost $853 for overhaul in 2022. Came back MUCH better than the old field overhauled job. My mixture/cut-off actually works now.
-
azaero
- Posts: 4
- Joined: Tue Aug 27, 2024 1:13 pm
- Name: C Copeland
- Location: Eloy, AZ
- Aircraft Type: 46 C-120
- Occupation-Interests: Aircraft Painter - Own a C-120 and Pitts S2E project
- Contact:
Re: Marvel Carburetor issues
Much appreciated!6597 wrote: ↑Fri Dec 06, 2024 3:14 pm If you truly find it needs overhaul, I had excellent luck with
D&G Supply
PO Box 430
1916 Industrial Drive
Niles MI 49120
(269) 684-4440
My MA3SPA for my 0-200A cost $853 for overhaul in 2022. Came back MUCH better than the old field overhauled job. My mixture/cut-off actually works now.
- 6898
- Posts: 351
- Joined: Tue May 01, 2018 7:00 am
- Name: Jeff T
- Location: IS65 Sandwich IL.
- Aircraft Type: 48 140 C90
- Occupation-Interests: Auto,Marine&Aviation Repair
- Contact:
Re: Marvel Carburetor issues
Yep D&G in Michigan they overhaul plenty for my A&P all good
Jeff T 1948 C-140 NC3600V
Past President 120 140 Assoc. 2019-2023
Past President 120 140 Assoc. 2019-2023
- bill_e
- Posts: 33
- Joined: Wed Aug 31, 2022 8:07 am
- Name: Bill
- Location: Detroit Lakes, MN
- Aircraft Type: 140
- Occupation-Interests: Aircraft powerplant systems engineer
- Contact:
Re: Marvel Carburetor issues
I'm curious to hear if this was ever resolved. The condition described here almost exactly describes what I've just experienced coming out of annual this year. For reference, I'm running a C85-12F with Marvel Schebler MA-3SPA carb on a 1946 140. I do have the stroker STC with O200 crank, rods, and pistons. With an outside air temp of about 30 degrees F and warm oil (140 degrees indicated), I had significant roughness during the runup starting at around 1900rpm, but if I continued to open the throttle, it will recover and deliver ~2300rpm static at wide-open throttle. Applying carburetor heat immediately cures the roughness, and turning carb heat off immediately brings it back. Additionally, it will only give me 2300rpm for about 50s before the RPM smoothly caves off to about 2150. Magnetos are rock solid.
-
6183
- Posts: 424
- Joined: Tue May 01, 2018 7:00 am
- Name: Mike Smith
- Location: Florida
- Aircraft Type: 140A (2) 1949 & 1950
- Occupation-Interests: Retired aerial power line patrol pilot for Gulf Power Co. CFIA, CFII, MEI
120-140 Assoc. Florida Rep. N9633A & N9688A - Contact:
Re: Marvel Carburetor issues
Bill,
Just a thought, but it sounds like your carburetor may be running on the lean side. When you mentioned that pulling carb heat takes care of the issue, and smooths out performance that's usually an indication that the carburetor mixture setting is running a little too lean. Heated air is less dense than the cooler intake air, and when the carb heat is on your carburetor mixture moves towards the richer side. You might have your A&P look at the mixture setting by adjusting the large knurled nut on the back of the carburetor for a slightly richer mixture than what you have now, and see it that cures your issues. You can find the procedure on several web pages that address Marvel Schebler mixture adjustments. Would be lesser expensive than having the carburetor overhauled (D&G is a good vendor for that) if it doesn't require it. As I mentioned, just a thought.
Mike
Just a thought, but it sounds like your carburetor may be running on the lean side. When you mentioned that pulling carb heat takes care of the issue, and smooths out performance that's usually an indication that the carburetor mixture setting is running a little too lean. Heated air is less dense than the cooler intake air, and when the carb heat is on your carburetor mixture moves towards the richer side. You might have your A&P look at the mixture setting by adjusting the large knurled nut on the back of the carburetor for a slightly richer mixture than what you have now, and see it that cures your issues. You can find the procedure on several web pages that address Marvel Schebler mixture adjustments. Would be lesser expensive than having the carburetor overhauled (D&G is a good vendor for that) if it doesn't require it. As I mentioned, just a thought.
Mike
- 6597
- Posts: 517
- Joined: Tue May 01, 2018 7:00 am
- Name: David Sbur
- Location: Vancouver WA KVUO
- Aircraft Type: '46 140 0-200A
- Occupation-Interests: Agriculture
- Contact:
Re: Marvel Carburetor issues
Mike,
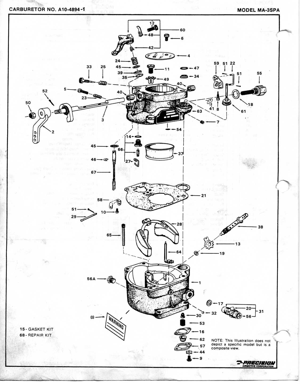
That big knurled screw in the back (#33) I thought was the idle mixture adjustment? Useful for adjusting the idle/cut-off on shutdown...
I'd make sure the mixture control lever is actually making full rich for it's throw.
That big knurled screw in the back (#33) I thought was the idle mixture adjustment? Useful for adjusting the idle/cut-off on shutdown...
I'd make sure the mixture control lever is actually making full rich for it's throw.
- Attachments
-
- img061.jpg (149.41 KiB) Viewed 3294 times
-
- img060.jpg (199.59 KiB) Viewed 3294 times
-
6183
- Posts: 424
- Joined: Tue May 01, 2018 7:00 am
- Name: Mike Smith
- Location: Florida
- Aircraft Type: 140A (2) 1949 & 1950
- Occupation-Interests: Retired aerial power line patrol pilot for Gulf Power Co. CFIA, CFII, MEI
120-140 Assoc. Florida Rep. N9633A & N9688A - Contact:
Re: Marvel Carburetor issues
Thanks for pointing that out Dave! It been a long day here, thanks again.
- 6643
- Posts: 2716
- Joined: Tue May 01, 2018 7:00 am
- Name: John C
- Location: KLCI, NH
- Aircraft Type: 1946 C140/C90
- Occupation-Interests: A&P, semi-retired
- Contact:
Re: Marvel Carburetor issues
That's interesting. I would take the fuel line off the carb and put it into an open container. Turn on the tap and determine the flow rate. If you can get a pint in 30 seconds you should be ok. If so, check the inlet screen on the carb. If that's clean you're probably going to have to at least disassemble and clean the carb.
Oh, be sure you don't have a vacuum leak somewhere.
John Cooper
www.skyportservices.net
www.skyportservices.net
- dcannon
- Posts: 61
- Joined: Sun Jan 08, 2023 6:20 pm
- Name: Dan Cannon
- Location: San Diego
- Aircraft Type: 1946 C120
- Occupation-Interests: Physiologist
- Contact: